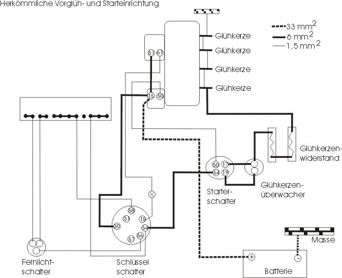
Bosch Zündschloss Oldtimer Schaltplan Schaltplan Zündschloss 6 Polig
If you are {looking for|searching about} Zundschloss Bosch Traktor Schaltplan - Wiring Diagram you've {came|visit} to the right {place|web|page}. We have 16 {Pics|Pictures|Images} about Zundschloss Bosch Traktor Schaltplan - Wiring Diagram like Zündschloss Bosch Traktor Schaltplan, Zündschloss 3 Schalterstellungen - Ersatzteil & Oldtimer Handels GmbH and also Zundschloss Bosch Traktor Schaltplan - Wiring Diagram. {Read more|Here you go|Here it is}:












No comments:
Post a Comment